直流高壓發生器的3種測量方法
發布時間:2019-07-04
瀏覽數:159
直流高壓發生器測量時需要生涯至所需電壓或電流,對一般試品、大容性試品以及小電容試品的測量方法均有所不同,以下是國電中星總結的3種測量方法。

1、一般測量時當接好線后,先把聯接試品的線懸空,升到試驗電壓后讀取空試時的電暈和雜散電流I,然后接上試品升到試驗電壓讀取總電流Ⅰ1;試品泄漏電流:Io =Ⅰ1—I’
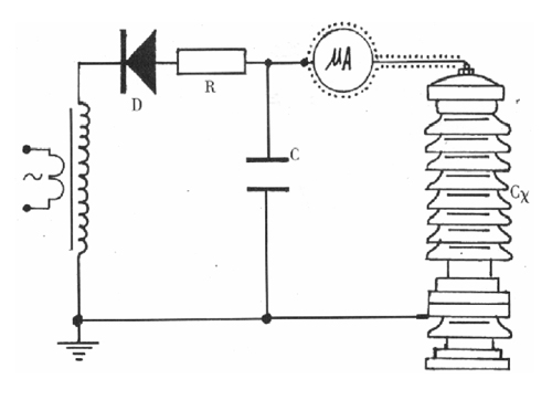
2、當需要精確測量被試品泄漏電流時,則應在高壓側串入高壓微安表,如圖1

圖1 高壓屏蔽微安表接入試品Cx側接線圖
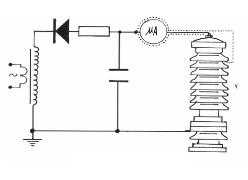
高壓屏蔽微安表必須有金屬屏蔽,應采用屏蔽線與試品聯接。高壓引線的屏蔽引出應與儀表端的屏蔽緊密聯接。如果試品表面污穢要排除試品表面泄漏電流的影響可在試品高電位端用裸金屬軟線緊密繞幾圈后與高壓引線的屏蔽相聯接,見圖2。

圖2 排除試品Cx表面影響接線圖
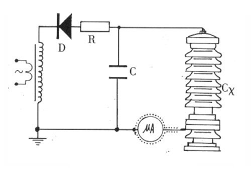
3、對氧化鋅、磁吹避雷器等試品接地端可拆開的情況下,也可采用在試品的底部(地電位側),串入電流表進行測量的方式。 但也必須使用屏蔽線,如圖3。

圖3 微安表接入試品Cx底部的接線圖
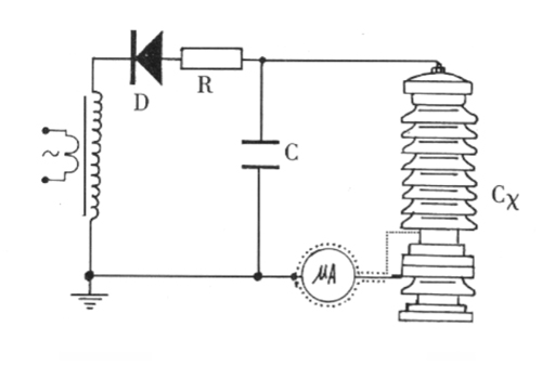
當要排除試品表面泄漏電流的影響,可用軟的裸銅線在試品地電位端繞上幾圈并與屏蔽線的屏蔽相聯接,如圖4

圖4 排除試品Cx表面影響接線圖
以上就是直流高壓發生器測量的3種方法。國電中星是電力測試設備生產廠家,生產的設備有直流高壓發生器、串聯諧振、超低頻高壓發生器等多種設備,客戶遍布國內外,收獲大量好評,歡迎選購!
下一篇:?直流高壓發生器檢定性能要求
027-65526006
027-65526007
在線客服