ZXCBB變壓器變比整檢裝置的檢定方法
變壓器變比整檢裝置主要由標準三相 PT 和感應分壓器組成,檢定時可用高精度的感應分壓器對內部各個標準 PT 和感應分壓器的每個變比進行檢定,以確定其準確度。下文中國電中星為大家介紹ZXCBB變壓器變比整檢裝置的檢定方法。

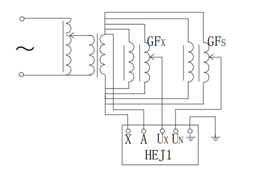
一、感應分壓器的檢定
用更高等級的感應分壓器檢定“變比檢定裝置”的感應分壓器線路圖如下:

圖中 GFS 為高精度感應分壓器,GFX 為變比檢定裝置的感應分壓器。其誤差不得超過兩臺感應分壓器極限誤差之和。校驗儀讀數應能分辨到 1×10-8。
二、標準三相 PT 的檢定
標準三相 PT 是由三個相同的 0.05 級 PT 組成,每個 PT 有兩個二次繞阻,供 Z 形組別測試時使用。因此,檢定時需對三個 PT 的兩個二次繞阻分別檢定,以確定是否合格。檢定線路與圖 3 相同,只是“變比檢定裝置”的一次端鈕在接“A、X”時,二次端鈕必須接“a、x”;或“a,、x,”。當二次端鈕接 “a、x”時,變比值有三種選擇,即通過組別變比開關選擇。當二次端鈕按“a,、x,”時,標準感分的變比值只能選擇 100。在檢定上述三個 PT 時,“變比檢定裝置”的功能選擇開關應置于“組別”狀態,同時組別選擇應在“Y/Y-0”狀態。當二次端鈕接“a,、x,”時,“變比組別裝置”應工作在“Z 形組別”狀態,組別選擇應是“Y/Z-1”。同理可檢定另外兩相 PT 的誤差。
三、組別的檢定
按雙電壓表法檢定組別的方法如下:把“變比檢定裝置”開關置于“組別”狀態,將 A、a 端紐短接,向高壓測“A、B、C”施加三相對稱電壓,然后測 UBb、UCb 、UBc 三個電壓值,三相電壓值在不同組別時應滿足下表的要求。

國電中星生產的ZXCBB變壓器變比整檢裝置暢銷于海內外,受到廣大用戶的高度青睞。國電中星是高壓試驗設備廠家,設備種類甚多,型號齊全,歡迎選購!
027-65526006
027-65526007
在線客服