直流高壓發生器的試驗接線方式
發布時間:2019-06-28
瀏覽數:277
直流高壓發生器采用領先的技術和進口元器件,具備了高品質、易于便攜的特點,并能承受額定電壓放電而不損壞。下面國電中星為您講述直流高壓發生器的試驗接線方式。
一、直高發指示圖

圖1 控制箱面板圖

圖2 倍壓筒
1、中頻輸出; 2、接地; 3、接220V電源; 4、電源開關; 5、0.75UDC-1mA 功能鍵 ; 6、高壓通; 7、高壓斷; 8、電壓調節; 9、過壓設定; 10、高壓輸出; 11、中頻輸入; 12、接地
二、試驗接線
① 3接交流電源220V ;
② 9接11(四或五芯電纜線連接);
③ 2和12接地(用轉用接地線)。
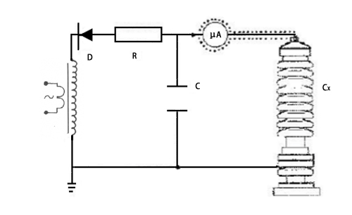
三、微安表接線圖

1、控制箱上的顯示燈、開關、旋鈕等已標清楚,看此操作說明時請參照控制箱的面板上元器件名稱使用。
2、倍壓筒底盤側面有(四)五芯插座為聯接控制箱電纜之插座,底盤側面有銅接線柱為接地端子作連接地線用。
3、附帶的高壓屏蔽電流表為數顯微安表,表頂端上的插孔為連接被試品的線插孔,同時也作為電源開關,不用時請拔掉插頭,就自動關閉電源。換電池時請將后蓋旋下,換好后請將后蓋旋緊。
國電中星是直流高壓發生器生產廠家,除了直高發,還有多種電力測試設備,種類多,型號全,應用十分廣泛,歡迎選購!
上一篇:?直流高壓發生器的工作原理圖解
下一篇:直流高壓發生器使用說明
027-65526006
027-65526007
在線客服