調感式串聯諧振試驗接線和步驟
調感式串聯諧振采用多節電抗器并聯的工作方式,調整可調電抗器的電感量,通過并聯不同節數的固定電抗器的方式達到諧振狀態。根據試驗容量的大小,合理配置不同容量的固定電抗器和可調電抗器,從而減小電源容量和試驗設備體積重量。下面國電中星為大家介紹調感式串聯諧振試驗接線和步驟。

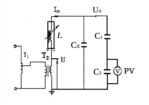
一、試驗接線
調感式串聯諧振試驗接線如圖所示

T1-調壓器;T2-勵磁變壓器;L-可變電感;CX-被試品;C1、C2-電容分壓器高、低壓臂電容;U-勵磁電壓;PV-電壓表;U0-諧振時電感或電容兩端的電壓
二、試驗步驟
1、合理布置試驗設備,并檢查試驗設備是否安防穩固。
2、試驗前應測量被試品絕緣電阻,然后按圖進行接線,并檢查接線和分壓器檔位是否正確。
3、檢查試驗電源的容量應符合試驗要求,先合上試驗電源開關,再合上控制回路電源,檢查和傳動調壓器電機升、降壓和可變電感機械系統是否正常,然后將電感量指示器調至中間位置。
4、檢查調壓器零位,合上主回路開關。
5、適當調節調壓器輸出電壓,使高壓回路電壓達到試驗電壓的3~5%。仔細調節電感至諧振點,使試品兩端電壓高。按要求均勻調節電壓至試驗電壓后,升壓過程中密切監視高壓回路,監聽被試品有何異響,達到達試驗時間后,迅速將電壓降到零,切斷主回路和控制回路開關,拉開試驗電源開關,對被試品放電,試驗結束。
注意:試驗結束后應將諒解可調電感的鐵芯間隙調至適當位置,便于以后試驗的拼裝,同事避免運輸時拉動鐵芯。
國電中星是串聯諧振生產廠家,產品多規格全,滿足客戶不同試驗需求,除此以外國電中星還生產多種高壓試驗設備,性價比高,口碑不錯,歡迎來我司參觀考察!
下一篇:?直流高壓發生器的工作原理圖解
027-65526006
027-65526007
在線客服